Les profilés en aluminium à paroi mince Wellste sont disponibles dans une variété de formes et de tailles, adaptées à une large gamme d'applications. Ils peuvent être personnalisés avec des fonctionnalités supplémentaires telles que les finitions de surface, le perçage et la découpe, pour répondre aux besoins spécifiques de votre projet.
Communication en phase de conception
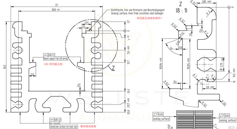
En février 2022, nous avons reçu un extrusions d'aluminium personnalisées demande d'un client.
Le client est un fabricant d'éclairage LED à la recherche de extrusion d'aluminium à paroi mince avec une épaisseur de paroi de 0,7 mm et des tolérances précises.
Le client vient d'Allemagne, il accorde donc une grande importance à profilés d'extrusion en aluminium qualité et tolérance.

Négociations techniques
Après notre évaluation technique, nous pouvons atteindre une épaisseur de paroi de 0,7+/- 0,1 mm, mais pas plus fine.
Le client doit assembler ceci Extrusion d'aluminium à LED avec une autre pièce, donc les dimensions importantes de 14,1 mm et 14,5 mm sont également critiques.
Le dessin du client indique une tolérance de ±0,03 mm.
Le client exige que ces deux pièces soient assemblées et démontées plusieurs fois avec une force uniforme.
Plus la section est fine Profilé d'angle LED (0,7 mm ; 0,6 mm ; 0,5 mm), plus sa flexibilité est grande et plus la tolérance de la largeur d'ouverture est grande en conséquence.
Le client doit installer et retirer la pince plusieurs fois pour remplacer différents dispositifs optiques et diffuseurs dans la lumière.

Nous avons vérifié l'européen Profilé en aluminium tolérances standard d'extrusion, et selon la norme européenne EN-755-9, la plage de tolérance standard est la suivante :

Après notre évaluation technique, nous ne pouvons atteindre que ±0,3 mm.
Le client est encore en phase de conception et n'accepte pas les tolérances standards que nous lui avons proposées.
Le client a demandé : Si la largeur d'ouverture de la Profilé d'extrusion à LED après que l'extrusion dévie trop, peut-elle atteindre la taille souhaitée grâce à d'autres processus ? Formage à froid, comme le laminage ou le pliage ?
Ces procédés pourraient réduire la plage de tolérance, mais compte tenu de la demande annuelle du client de 200 mètres, une étape de traitement supplémentaire après l'extrusion serait coûteuse et non viable économiquement.
En règle générale, pour les clients ayant des exigences d’assemblage, nous garantissons un assemblage réussi basé sur des tolérances standard.
Si les accessoires ne sont pas produits par nous, le client peut nous envoyer un échantillon et nous nous assurerons pendant profilés en aluminium contrôle de production et de qualité qu'il n'y a aucun problème d'assemblage.
Si vous souhaitez en savoir plus sur les extrusions d'aluminium à paroi mince Wellste, visitez notre site Web à l'adresse https://www.wellste.com/thin-wall-aluminum-tubing/ pour plus d'informations.



